产品展示
FT2511C系列,天工STNC,线圈
首页 / 产品中心 / STNC气源处理元件
产品标题:FT2511C系列,天工STNC,线圈
产品ID:VIB20090923091407734
品  牌:STNC索诺天工
所在地:中国 上海
价  格:面议 (大量采购价格面议)
库存状态:货期待查
更新日期:2025-10-20 12:41:44
咨询电话:(+86)021-51699285
咨询Q Q: 2695337323
产品简述

200909/2009092309120520948.gif 公司已通过 ISO9001:2000国际质量体系认证、欧盟ROHS指令认证及CE认证、美国UL认证

 公司不断引进国际先进生产技术与设备,现有厂房 20000平方米,各类设备515台,其中数控车床76台,加工中心6台,精密自动轴芯机2台以及电脑控制检测设备3台、超声波清洗机2台,确保了高精度、高效率、高品质生产。


 

产品详情

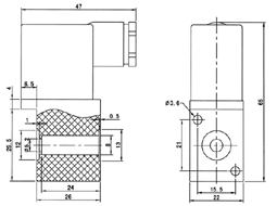
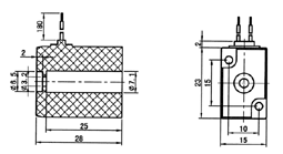
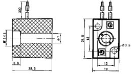
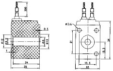
订购代码

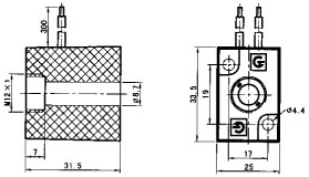
线圈
  
本公司生产的线圈品种多、规格全、外形美观、性能可靠、使用寿命长、功耗低、耐高、低温,阴燃性好、机械强度高等特点,能满足不同气动元件的使用要求,有多种设计电压供选用,特种规格可定制(AC12V~AC380V,DC6V~DC220V)。

图片 外形结构 应用范围

FT2511C-□
FT2511-06
FT2512-06

FT2521C-□
FT2321-08
FT2521-08
FT2522-08
FTS2511-06
FT2531-10
FT2532-10
FT2541-15
FT2542-15
FT3522-08C
FT3532-10C

FT2521CT-□

TM-06C-□
TM-06

TM-08C-□
TM-08

FG2521C-□
FG2521-08
FG2522-08
FG2531-10
FG2532-10